 | 11N.110102 (EQL01) | ΑΠΑΣΦΑΛΙΣΗ ΝΤΙΖΑΣ LIFTMASTER 5580-3780 (σχεδ/μα Νο3-αρ.16) |
|
|
 | 11P.300100 (001A0995-3) | ΣΥΝΔΕΣΜΟΣ ΑΛΥΣΙΔΑΣ ΒΑΓΟΝΕΤΟΥ LIFTMASTER 5580 |
|
|
 | 11P.300101 (4A1008) | ΣΥΝΔΕΣΜΟΣ ΠΡΟΕΚΤΑΣΗΣ ΑΛΥΣΙΔΑΣ LIFTMASTER 5580-3780 (σχεδ/μα Νο1) |
|
|
 | 11P.300109 (7423CR3) | ΡΑΓΑ ΜΗΧΑΝΙΣΜΟΥ LIFTMASTER 5580-3780 (σχεδ/μα Νο1) |
|
|
 | 11P.300110 (183D177) | ΠΡΟΕΚΤΑΣΗ 1Μ ΡΑΓΑΣ LIFTMASTER 5580-3780 (σχεδ/μα Νο1) |
|
|
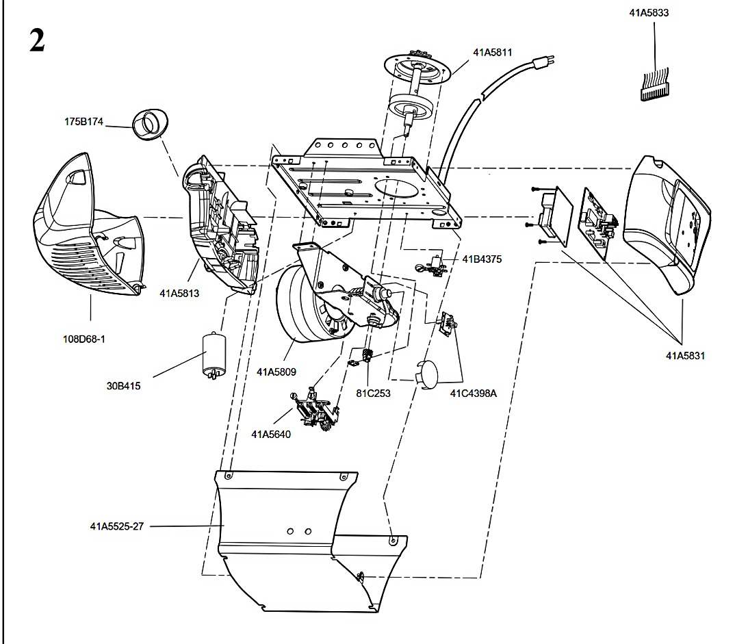
 | 11P.300112 (41A5640) | ΚΙΤ ΤΕΡΜΑΤΙΚΩΝ LIFTMASTER 5580-3780 (σχεδ/μα Νο2). |
|
|
 | 11P.300113 (41Α5800) | ΕΞΩΤΕΡΙΚΟ ΒΑΓΟΝΕΤΟ ΑΠΑΣΦΑΛΙΣΗΣ LIFTMASTER 5580-3780 (σχεδ/μα Νο1) |
|
|
 | 11P.300114 (21C42) | ΕΣΩΤΕΡΙΚΟ ΒΑΓΟΝΙ ΑΛΥΣΙΔΑΣ LIFTMASTER 5580-3780 (σχεδ/μα Νο1). Εναλλακτικοί κωδικοί ανταλλακτικού 210C0051 - 210C0042. |
|
|
 | 11P.300117 (41Α5811) | ΑΞΟΝΑΣ ΜΕ ΓΡΑΝΑΖΙ ΑΛΥΣΙΔΑΣ ΜΟΝΟ ΚΙΤ LIFTMASTER 5580-3780 (σχεδ/μα Νο2). |
|
|
 | 11P.300120 (41A5831) | ΗΛΕΚΤΡΟΝΙΚΗ ΠΛΑΚΕΤΑ LIFTMASTER ΓΙΑ ΜΟΝΤΕΛΑ 5580 - 3780 (σχεδ/μα Νο2) |
|
|
 | 11P.300122 (30B415) | ΠΥΚΝΩΤΗΣ 12,5μf LIFTMASTER 5580-3780 (σχεδ/μα Νο2) |
|
|