 | 15N.101009 | SEAV RS2 REMOTE CONTROL FOR ELECTRONIC CONTROL BOARD SEAV LRS2102. APPLICATION ON RIB K8-K10V |
|
|
 | 15N.103001 | SEAV LRS2102 ELECTRONIC CONTROL UNIT FOR RIB K8-K10V |
|
|
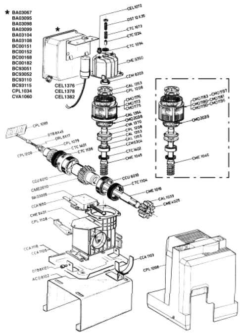
 | CAL1039 (14P.200659) | GEAR Z15 RIB F8-K8-K10V (CAL1039) |
|
|
 | CEL1382 (14P.200421) | CAPACITOR 16μf RIB K8-K10V |
|
|
 | CPL1079 (14P.200981) | INNER CROWN RIB K8-K10V |
|
|
 | CPL1199 (14P.201061) | RELEASE KEY K8 K10 RAPID S |
|
|
 | ΚΑΤΑΡΓΗΘΗΚΕ (14P.200989) | COVER RIB K8 |
|
|